PKE VIỆT NAM cung cấp các giải pháp thiết kế và thi công tủ điều khiển sử dụng PLC, tủ tụ bù, tủ phân phối,… cũng như thi công đấu nối tại công trình. Các sản phẩm tủ điện của PKE VIỆT NAM được sản xuất theo 7 quy trình dưới đây. Điều này nhằm đảm bảo mang lại sản phẩm an toàn, chính xác và chất lượng tốt nhất cho khách hàng và đối tác.
Bước 1: Xây dựng kế hoạch tính toán các thông số kỹ thuật và chọn lựa thiết bị điện.
Đây là bước khởi đầu trong quy trình thiết kế tủ điện. Chúng tôi sẽ thu thập các thông tin về ứng dụng, số input và out put mong muốn của khách hàng.
Chúng ta sẽ dựa vào yêu cầu thực tế để tính toán và chọn thiết bị phù hợp với yêu cầu ban đầu. Trong quá trình tính toán, cần phải cân nhắc giữa yếu tố kỹ thuật và kinh tế cho khách hàng. Từ đó đưa ra BOQ các thiết bị chính được đưa vào sử dụng để khách hàng tham khảo.
Bước 2: Vẽ sơ đồ thiết bị và sơ đồ nguyên lý hoạt động của tủ điện.
Tủ điện cần được thiết kế sao cho đầy đủ các tính năng cần thiết. Tuy nhiên, cũng cần tối ưu hóa thiết kế để giảm thiểu vật tư và chi phí sản phẩm.

Khi thực hiện thiết kế, PKE VIỆT NAM cũng sẽ lưu ý cho khách hàng về khả năng mở rộng hoặc sự thay đổi của hệ thống thiết bị trong tương lai. Rất nhiều khách hàng của chúng tôi không để ý tới khâu mở rộng hệ thống, khiến cho việc mở rộng sau này cồng kềnh về thiết bị cũng như mất đi sự tối ưu trong lắp đặt và vận hành thực tế.
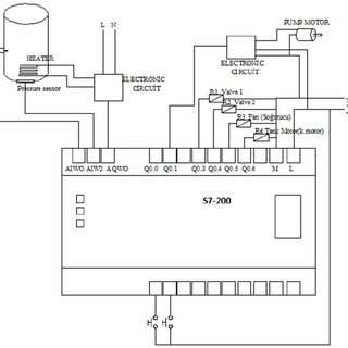
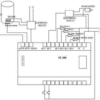
Ngoài ra, chúng tôi cũng hỗ trợ lập hình HMI cho khách hàng để người vận hành và sử dụng có thể dễ dàng đọc các thông tin và theo dõi quá trình sản xuất thực tế
Bước 3: Lắp đặt vỏ tủ hay còn gọi là mặt cánh tủ.
Bước tiếp theo trong quy trình thiết kế tủ điện là lắp đặt các thiết bị lên cánh tủ. Khi thực hiện việc này, cần chú ý đến một số nguyên tắc sau:
- Đặt các thiết bị như đèn báo nguồn và đồng hồ đo ở vị trí cao.
- Các thiết bị điều khiển như nút nhấn và công tắc nên được bố trí ở phía dưới.
- Nên sắp xếp các nút nhấn và công tắc điều khiển cùng một thiết bị trên cùng một hàng để dễ dàng sử dụng.
Bước 4: Sắp xếp các thiết bị trong tủ.
Việc sắp xếp thiết bị có thể chia thành các nhóm như sau:
- Nhóm thiết bị điều khiển được đặt ở góc trên cùng. Bao gồm các rơ le bảo vệ, rơ le trung gian, bộ điều khiển và cảm biến.
- Nhóm khí cụ điện đóng cắt sẽ được đặt ở hàng phía dưới. Gồm Aptomat, Contactor và khởi động từ.
- Aptomat tổng, dùng để cấp nguồn cho hệ thống, nên được đặt ở vị trí trung tâm của tủ điện hoặc ở góc cao bên trái. Điều này giúp thuận tiện trong quá trình vận hành và thao tác.
- Cầu đấu sẽ được đặt ở phía dưới cùng, nhằm tạo điều kiện thuận lợi cho việc đấu dây vào và ra khỏi tủ điện.
Bước 5: Kết nối dây điện của hệ thống tủ điện.
- Dây dẫn giữa các thiết bị điện cần được kết nối một cách hợp lý và ngăn nắp.
- Các đầu cốt nên được phân loại bằng màu sắc (như đỏ, vàng, xanh, đen…) và đánh số thứ tự để dễ dàng quản lý và sửa chữa.
- Đối với dây tín hiệu nhạy cảm (như dây Encoder, dây truyền thông…), cần có lớp vỏ bảo vệ chống nhiễu.
- Nên thực hiện đấu dây cho phần mạch động lực trước, sau đó mới đến phần điều khiển.
- Dây điều khiển và dây mạch lực nên được bố trí vuông góc với nhau và tuân thủ theo các tiêu chuẩn quy định.
Sau khi hoàn tất việc đấu nối dây điện cho tủ điện, bạn cần kiểm tra kỹ lưỡng hệ thống trước khi cấp nguồn điện để đảm bảo tủ hoạt động bình thường. Nên chạy thử không tải trước để phát hiện sai sót trước khi kết nối tải vào tủ điện.
Bước 6: Kiểm tra ngoại vi.

Bước cuối cùng trong quy trình thiết kế tủ điện là kiểm tra các yếu tố bên ngoài.
Cần xem xét các kết nối của tủ điện. Trước khi nạp lên PLC hoặc bất cứ chương trình nào, PKE VIỆT NAM sẽ kiểm tra xem có lỗi nào trong chương trình không
Cuối cùng, thực hiện kiểm tra tủ trước khi nạp chương trình vào. Một số thương hiệu phổ biến như Allen-Bradley, Siemens, Mitsubishi, Omron, v.v. mỗi cái đều có phần mềm riêng
Bước 7: Test tín hiệu và kiểm tra I/O, sau đó thực hiện kiểm tra hoạt động thực tế.

Đây là một bước rất quan trọng và cần phải kiểm tra cẩn thận trước khi giao cho khách hàng. Sản phẩm của PKE VIỆT NAM sẽ trải qua nhiều giai đoạn kiểm tra và thời gian thử nghiệm mô phỏng cũng như thực tế với hệ thốn máy móc của khách hàng.
Chúng tôi đảm bảo rằng các kêt nối không bị nhiễu, mất tín hiệu. Sản phẩm đáp ứng đầy đủ yêu cầu để them gia vào dây chuyền sản xuất lâu dài. Ngoài ra, sản phẩm cũng phải tuân thủ các tiêu chuẩn an toàn của khách hàng như ATEX, tiêu chuẩn bảo mật thông tin, tiêu chuẩn tiết kiệm năng lượng và các tiêu chuẩn khác
CÔNG TY TNHH PKE VIỆT NAM
Office: 22/14 Phan Bội Châu, Khu phố Đông Tân, Phường Dĩ An, Thành phố Dĩ An, Tỉnh Bình Dương, Việt Nam
Hotline: 0865671147
